Поиск
Газоанализатор ГАНК П4 на стандартные газы 44 000 с НДС, в наличии, с первичной поверкой

ME3-SO2 Winsen сенсор газа Диоксида серы SO2

Электрохимический датчик ME3-SO2 Winsen определяет концентрацию  Диоксида серы SO2 путем измерения тока, основанного на электрохимическом принципе, который использует процесс электрохимического окисления целевого газа на рабочем электроде внутри электролизера, ток, вырабатываемый в результате электрохимической реакции целевого газа, находится в прямой зависимости от его концентрации, следуя закону Фарадея, затем концентрация целевого газа увеличивается. газ можно было бы получить, измерив величину тока.

Особенности сенсора ME3-SO2 Winsen:

  • Низкое потребление
  • Высокая точность
  • Высокая чувствительность
  • Широкий линейный диапазон
  • Хорошая помехозащищенность
  • Превосходная повторяемость и стабильность

Применение сенсора ME3-SO2 Winsen:

Широко используется в промышленности и области охраны окружающей среды.


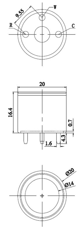
Габаритные размеры сенсора ME3-SO2 Winsen:

606.png

Технические характеристики

Название:
ME3-SO2
Производитель:
Winsen
Основной газ:
Диоксид серы SO2
Тип измерения:
Электрохимический
Диаметр, мм (типоразмер):
20
Диапазон:
0 - 20 ppm
Чувствительность / выходной сигнал:
0.55±0.15 µA/ppm
Время отклика t90:
30 sec.
Энергопотребление:
0-0
Температурный диапазон:
-20C°..+50C°

Другие товары в разделе Сенсоры фирмы Winsen

ZE15-CO Winsen сенсор Угарного газа CO (оксида углерода)

ZE15-CO Winsen сенсор для измерения Угарного газа CO (оксида углерода) в воздухе

ZE16B-CO Winsen сенсор Угарного газа CO (оксида углерода)

ZE16B-CO Winsen сенсор для измерения Угарного газа CO (оксида углерода)

ZE03-CO Winsen сенсор Угарного газа CO (оксида углерода)

ZE03-CO Winsen сенсор для измерения Угарного газа CO (оксида углерода)

ME4-CO Winsen сенсор Угарного газа CO (оксида углерода)

ME4-CO Winsen сенсор для измерения Угарного газа CO (оксида углерода)

ME4-CO-E4 Winsen сенсор Угарного газа (Оксида углерода) CO

ME4-CO-E4 Winsen сенсор для измерения Угарного газа (Оксида углерода) CO

ME4-ETO Winsen сенсор газа Оксида Этилена С2H4O

ME4-ETO Winsen сенсор для измерения Оксида Этилена С2H4O

ME4-Cl2 Winsen сенсор газа Хлора CL2

ME4-Cl2 Winsen сенсор для измерения Хлора CL2

ME4-C6H6 Winsen сенсор Бензола C6H6

ME4-C6H6 Winsen сенсор для измерения Бензола C6H6

О Winsen Electronics


Компания Zhengzhou Winsen Electronics Technology Co., Ltd., основанная в 2003 году в городе Чженчжоу, является высокотехнологичным предприятием с интегрированным бизнесом, занимающимся исследованиями и разработками, производством, продажей и решениями в области сенсорных продуктов.

Zhengzhou Winsen Electronics Technology Co., Ltd. это профессиональный производитель, специализирующийся на газовых датчиках и модулях. Компания Winsen была создана небольшой группой людей в 1990-х годах. Еще тогда они разработали свой первый полупроводниковый датчик. После более чем 30-летнего роста и расширения компания Winsen стала ведущим поставщиком сенсорных решений в Китае.

В производственную программу Winsen входят:
— датчики концентрации газов, частиц (применение: стационарные системы контроля окружающей среды на потенциально опасных объектах, датчики CO2 для бытовых помещений (умный дом), персональные газоанализаторы, метеостанции);
— датчики потока газов (применение: вентиляция, медицинское оборудование, технологическое оборудование);
— датчики влажности (применение: торговое оборудование, грузоперевозки скоропортящихся товаров, контроль помещений (умный дом), производственные процессы);
— инфракрасные датчики движения и положения (применение: системы охраны помещений, автоматическое включение света, робототехника);
— датчики давления (применение: водоснабжение, контроль технологических процессов, транспортное оборудование, системы промышленного кондиционирования).

Winsen берет на себя миссию создания ценности для своих клиентов и поддерживает свое видение быть ведущим мировым поставщиком сенсорных решений, выполняя все виды деятельности. Надежная продукция и отличный сервис принесли компании Winsen множество похвал на внутреннем и международном рынках. Winsen будет расти вместе со всеми партнерами, предоставляя постоянно совершенствуемые продукты и услуги и способствуя безопасности людей, счастью и глобальному устойчивому развитию.

Электрохимические сенсоры Winsen:

Электрохимические датчики обладают рядом преимуществ. Они имеют малую потребляемую мощность (т.к. не требуется нагрев элемента), могут использоваться в портативном оборудовании, не зависят от колебаний влажности окружающей среды, линейный выходной сигнал по току, пропорциональный концентрации газа, стабильность измерений на всем сроке службы. Также датчики не имеют механических элементов конструкции, поэтому более устойчивы к вибрации и ударам.

Применение: бытовые детекторы, детекторы жилых помещений, системы экологического мониторинга окружающей среды.

Особенности:
  • высокая чувствительность
  • превосходная стабильность
  • превосходная селективность
  • линейный выходной сигнал
  • малая мощность потребления
  • защищенный от протечки электролита корпус


ME-Электрохимический газовый датчик

Электрохимические газовые датчики серии ME основаны на электрохимическом принципе, включая датчики токсичных газов и датчик кислорода.

1. Датчик токсичных газов

 Датчики токсичных газов серии ME основаны на электрическом заряде, выделяющемся в результате электрохимической окислительно-восстановительной реакции газа, который тестируется на рабочем электроде электролизера при определенном потенциальном состоянии, имеет линейную зависимость в определенном диапазоне концентраций от концентрации газа. Чтобы определить концентрацию газ должен быть определен путем измерения величины тока. Датчики токсичных газов серии ME обладают стабильной и надежной работой, высокой чувствительностью и хорошей селективностью. Продукция включает ME2, ME3, ME4 и другие типы.

Серия ME2 - это двухэлектродный электрохимический газовый датчик, ME2-CO в основном используется для обнаружения угарного газа в городской сфере;

Серия ME3 - трехэлектродный электрохимический газовый датчик для портативных приборов;

Серия ME4 - это четырехэлектродный электрохимический датчик газа, подходящий для портативных измерительных приборов и приборов онлайн-мониторинга газа.




2. Датчик кислорода

Кислородный датчик серии ME - это электрохимический газовый датчик, использующий принцип работы гальванической батареи. То есть, измеряя ток электролиза, протекающий через два электрода датчика, можно точно определить изменение концентрации кислорода в окружающей среде. Кислородные датчики серии ME отличаются стабильностью и надежностью. Основным продуктом является ME2-02, который подходит для определения постоянной концентрации кислорода 0-25% VOL.


Серия 4S:

4S-CO Winsen сенсор газа Оксида углерода (Угарного газа) CO- ГАЗСЕНСОР

 Газовые датчики серии 4S, основанные на принципе электрохимии, используют процесс электрохимического окисления тестируемого газа в зависимости от потенциала рабочего электрода в электролизере. Ток, генерируемый электрохимической реакцией измеряемого газа, пропорционален его концентрации и соответствует закону Фарадея. Концентрацию газа необходимо измерить путем измерения величины тока.

ZE-серия


ZE16B-CO Carbon Monoxide Module--Winsen Electrochemical Carbon Monoxide Gas Sensor Module ZE15-CO

Сенсорные модули ZE представляют собой печатную плату, на которой установлены: датчик газа, схема обработки сигнала и выходной интерфейс. Также, модули имеют схему термокомпенсации, благодаря чему изменения применений сенсорных модулей позволяют ускорить процесс интеграции датчика в систему и упростить схемотехническое решение по усилению сигнала и обработке данных. Сфера применения: портативные детекторы, приборы контроля качества воздуха, очистители воздуха, оборудование воздухообмена.



Winsen также выпускает полупроводниковые сенсоры серий MP, MQ, MR, GM,

Фотоионизационные сенсоры,

а так же термокаталитические сенсоры MC, MD






cookie
Мы сохраняем файлы cookies, чтобы сделать взаимодействие с сайтом удобнее. Кликнув на «Принять и закрыть», вы соглашаетесь на использование cookies-файлов.