Поиск
Газоанализатор ГАНК П4 на стандартные газы 44 000 с НДС, в наличии, с первичной поверкой

Gasboard-2050 CO2 Cubic сенсор Углекислого газа CO2 (Диоксида углерода)

Gasboard-2050 - это датчик определения концентрации газа, основанный на недисперсионной инфракрасной технологии, который обладает характеристиками высокой точности и быстрого срабатывания. Датчик Gasboard-2050 использует сверхбыструю частоту модуляции и специальную схему обнаружения для повышения точности, стабильности и помехозащищенности измерений. Благодаря микроконтроллерной обработке он выполняет функции обработки сигнала отбора проб газа, калибровки датчика и вывода результатов измерений. Он обеспечивает быстрое и точное измерение газов сверхнизкого диапазона CH4, CO и соответствует требования к автоматическому объемному измерению DLCO.


Характеристики Gasboard-2050 CO2 Cubic

  • Механическая модуляция прерывателя
  • Быстрая реакция (T10~T90 <300 мс при расходе 1 л/мин)
  • Превосходная стабильность, высокая точность (±1%FS)
  • Защита от помех (воздействие 5%CO2 на CO составляет ±1%FS, воздействие 5%CO2 на CH4 составляет±2%FS)
  • Датчик давления опционально для компенсации давления на выходе сигнала CH4
  • Простая конструкция, простота обслуживания


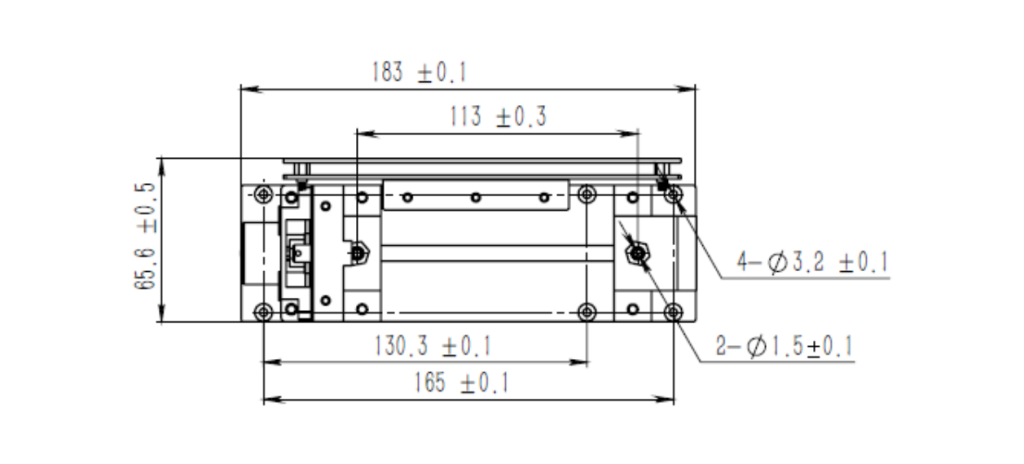
Габаритные размеры сенсора Gasboard-2050 CO2 Cubic

450.png

Технические характеристики

Название:
Gasboard-2050 CO2
Производитель:
Cubic
Основной газ:
Углекислый газ CO2 (Диоксид углерода)
Тип измерения:
Инфракрасный
Диаметр, мм (типоразмер):
183 L * 65.6 W mm
Диапазон:
0 - 5 % V/V CO2
Чувствительность / выходной сигнал:
UART (TTL or RS232)
Время отклика t90:
300 ms
Энергопотребление:
-
Температурный диапазон:
0C°..+45C°
Дополнительный газ:
Метан CH4Угарный газ CO (оксид углерода)

Другие товары в разделе Сенсоры фирмы Cubic

SRH-40 Cubic сенсор Углекислого газа CO2 (Диоксида углерода)

SRH-40 Cubic сенсор для измерения Углекислого газа CO2 (Диоксида углерода)

SRH-5A Cubic сенсор Углекислого газа CO2 (Диоксид углерода)

SRH-5A Cubic сенсор для измерения Углекислого газа CO2 (Диоксид углерода) в воздухе

SRH-2XD Cubic сенсор Углекислого газа CO2 (Диоксида углерода)

SRH-2XD Cubic сенсор для измерения Углекислого газа CO2 (Диоксида углерода) в воздухе

SRH-5B Cubic сенсор Углекислого газа CO2 (Диоксид углерода)

SRH-5B Cubic сенсор для измерения Углекислого газа CO2 (Диоксид углерода)

SRH-20XD Cubic сенсор Углекислого газа CO2 (Диоксида углерода)

SRH-20XD Cubic сенсор для измерения Углекислого газа CO2 (Диоксида углерода)

SRH-2 Cubic Углекислого газа CO2 (Диоксида углерода)

SRH-2 Cubic сенсор для измерения Углекислого газа CO2 (Диоксида углерода) в воздухе

SRH-1XD Cubic сенсор Углекислого газа CO2 (Диоксида углерода)

SRH-1XD Cubic сенсор для измерения Углекислого газа CO2 (Диоксида углерода)

SRH-20 Cubic сенсор Углекислого газа CO2 (Диоксида углерода)

SRH-20 Cubic сенсор для измерения Углекислого газа CO2 (Диоксида углерода)

Cubic Sensor and Instrument Co., Ltd. — зарегистрированная на бирже компания SSE STAR Market, специализирующаяся на интеллектуальных газовых датчиках и превосходных газоанализаторах. Основанная в 2003 году в «Долине оптики» в Ухане, Китай, компания Cubic создала технологические платформы для обнаружения газа, включая оптические технологии (NDIR, ультрафиолет, светорассеяние, лазерный комбинационный лазер), ультразвуковую технологию, технологию MEMS на основе оксидов металлов и полупроводников (MOX), электрохимическая технология, керамическая толстопленочная технология, основанная на технологии высокотемпературного твердого электролита и так далее. В настоящее время Cubic получила более 100 патентов в стране и за рубежом, с большим количеством продуктов, широко используемых в различных областях качества воздуха, мониторинга окружающей среды, промышленных процессов, мониторинга промышленной безопасности, здравоохранения, интеллектуальных измерений и так далее.

Cubic имеет провинциальный технологический центр предприятия и научно-исследовательский центр технологии газоаналитического приборостроения в китайской провинции Хубэй. В то же время Cubic активно участвует в национальной системе технологических инноваций и последовательно получает множество национальных и провинциальных проектов, которые поддерживают постоянные инновации Cubic. Эти проекты включают Национальный проект по разработке крупного научного инструмента и оборудования, специальный проект Министерства промышленности и информационных технологий по развитию Интернета вещей, проект Министерства промышленности и информационных технологий «Устойчивая основа» для инженерных датчиков «Единая остановка», Министерство науки и Технологии Наука и технологии способствуют ключевому специальному проекту экономики в 2020 году, а также крупный проект технических инноваций в провинции Хубэй и т. д. Компания Cubic считается крупным производителем газовых датчиков и представительным предприятием отраслевыми властями в стране и за рубежом и получила награду «Самый влиятельный IoT». Sensor Enterprise Award» Китайского Альянса Internet of Things Industry.

Работа инфракрасных сенсоров Cubic

Основана на принципе недисперсионного инфракрасного излучения (NDIR)
Конструкция с двумя профилями
 
Молекулы, такие как диоксид углерода (CO2), метан (CH4), пропан (C3H8) и бромистый метил (CH3Br) все это может быть непосредственно измерено в воздухе путем мониторинга определенной длины волны спектрального поглощения в инфракрасном диапазоне. Конструкция датчика NDIR может быть упрощена до его основных компонентов:
  • Газовая камера, которая позволяет молекулам воздуха и газа естественным образом проникать в камеру и выходить из нее
  • Источник света, который излучает свет в газовую камеру
  • Фотоприемник и оптический фильтр, которые измеряют увеличение или уменьшение интенсивности света при определенной длине волны
  • Схема усилителя для измерения выходного сигнала измерения интенсивности света от фотоприемника
Молекулы CO2 внутри газовой камеры будут поглощать свет только определенной длины волны. Фильтр пропускает через себя только ту длину волны, которая соответствует определенной длине волны. Один детектор измеряет интенсивность инфракрасного излучения, которая связана с интенсивностью CO2 и может быть описана с помощью закона Ламберта-Бира. Другой детектор предназначен для справки. Изменение сигнала датчика отражает изменение концентрации газа.

Конфигурации инфракрасных сенсоров Cubic серии SRH, SJH, SBH, SEH



Cubic также выпускает ультразвуковые, электрохимические сенсоры
cookie
Мы сохраняем файлы cookies, чтобы сделать взаимодействие с сайтом удобнее. Кликнув на «Принять и закрыть», вы соглашаетесь на использование cookies-файлов.