Поиск
Газоанализатор ГАНК П4 на стандартные газы 44 000 с НДС, в наличии, с первичной поверкой

MG812 Winsen сенсор Углекислого газа CO2 (Диоксида углерода)

MG812 Winsen полупроводниковый сенсор для измерения Углекислого газа CO2 (Диоксида углерода). Газовый датчик MG812 - это газовый датчик химического типа, который использует принцип твердоэлектролитного элемента и используется для обнаружения углекислого газа. Когда датчики подвергаются воздействию CO2, батарея реагирует положительным и отрицательным электродами, датчик создает электродвижущую силу между чувствительным электродом и электродом сравнения, в сигнале выходного напряжения может быть обнаружен диоксид углерода.

Особенности сенсора MG812 Winsen:

  • Небольшие размеры
  • Низкое энергопотребление
  • Высокая чувствительность и хорошая избирательность
  • Меньшее воздействие температуры и влажности
  • Стабильная производительность и повторяемость.

Применение MG812 Winsen:

Контроль качества воздуха, управление процессом ферментации и обнаружение CO2 в теплице.


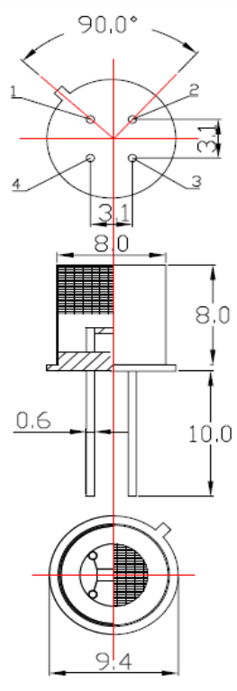
Габаритные размеры сенсора MG812 Winsen:

357.png

Технические характеристики

Название:
MG812
Производитель:
Winsen
Основной газ:
Углекислый газ CO2 (Диоксид углерода)
Тип измерения:
Полупроводниковый
Диаметр, мм (типоразмер):
09.04.2022
Диапазон:
350 - 10000 ppm
Чувствительность / выходной сигнал:
≧25mV/1000ppmCO2
Время отклика t90:
10 sec.
Энергопотребление:
400-500 mW
Температурный диапазон:
-20C°..+50C°

Другие товары в разделе Сенсоры фирмы Winsen

WSP5110 Winsen сенсор газа Фреoна (Хладагенты)

WSP5110 Winsen сенсор для измерения Фреoна (Хладагенты)

WSP2110 Winsen сенсор газа Летучих органических соединений VOC

WSP2110 Winsen сенсор для измерения Летучих органических соединений VOC

MR513 Winsen сенсор газа Этанола C2H5(OH) (алкоголь)

MR513 Winsen сенсор для измерения Этанола C2H5(OH) (алкоголь)

MQ303B Winsen сенсор газа Этанола C2H5(OH) (алкоголь)

MQ303B Winsen полупроводниковый сенсор для измерения Этанола C2H5(OH) (алкоголь)

MQ137 Winsen сенсор газа Аммиака NH3

MQ137 Winsen полупроводниковый сенсор для измерения Аммиака NH3 в воздухе

MQ138 Winsen сенсор газа Летучих органических соединений VOC

MQ138 Winsen сенсор для измерения Летучих органических соединений VOC

MQ135 Winsen сенсор газа Аммиака NH3

MQ135 Winsen полупроводниковый сенсор для измерения Аммиака NH3 в воздухе

MQ136 Winsen сенсор газа Сероводорода H2S

MQ136 Winsen полупроводниковый сенсор для измерения Сероводорода H2S

О Winsen Electronics


Компания Zhengzhou Winsen Electronics Technology Co., Ltd., основанная в 2003 году в городе Чженчжоу, является высокотехнологичным предприятием с интегрированным бизнесом, занимающимся исследованиями и разработками, производством, продажей и решениями в области сенсорных продуктов.

Zhengzhou Winsen Electronics Technology Co., Ltd. это профессиональный производитель, специализирующийся на газовых датчиках и модулях. Компания Winsen была создана небольшой группой людей в 1990-х годах. Еще тогда они разработали свой первый полупроводниковый датчик. После более чем 30-летнего роста и расширения компания Winsen стала ведущим поставщиком сенсорных решений в Китае.

В производственную программу Winsen входят:
— датчики концентрации газов, частиц (применение: стационарные системы контроля окружающей среды на потенциально опасных объектах, датчики CO2 для бытовых помещений (умный дом), персональные газоанализаторы, метеостанции);
— датчики потока газов (применение: вентиляция, медицинское оборудование, технологическое оборудование);
— датчики влажности (применение: торговое оборудование, грузоперевозки скоропортящихся товаров, контроль помещений (умный дом), производственные процессы);
— инфракрасные датчики движения и положения (применение: системы охраны помещений, автоматическое включение света, робототехника);
— датчики давления (применение: водоснабжение, контроль технологических процессов, транспортное оборудование, системы промышленного кондиционирования).

Winsen берет на себя миссию создания ценности для своих клиентов и поддерживает свое видение быть ведущим мировым поставщиком сенсорных решений, выполняя все виды деятельности. Надежная продукция и отличный сервис принесли компании Winsen множество похвал на внутреннем и международном рынках. Winsen будет расти вместе со всеми партнерами, предоставляя постоянно совершенствуемые продукты и услуги и способствуя безопасности людей, счастью и глобальному устойчивому развитию.

Полупроводниковые сенсоры Winsen выпускаются в следующих линейках:

MP-серия

Semiconductor gas sensor-Winsen Electronics

Полупроводниковые газовые датчики серии MP и их модули подходят для обнаружения формальдегида, бензола, аммиака, сульфидов, оксидов азота и других загрязняющих веществ в воздухе. В частности, преимуществом плоских полупроводниковых газовых датчиков серии MP является низкое энергопотребление, небольшой размер, длительный срок службы, хорошая стабильность и т.д. Датчик может определять уровень загрязняющего газа в миллионных долях. Сенсор серии MP подходит для долговременного электроснабжения теплиц и широко используется в тестировании качества воздуха, автоматической системе вентиляции, воздухоочистителях и оборудовании для регулирования воздушного потока.


MQ-серия

5 шт. Winsen MQ-5 полупроводниковый Сенсор горючий газ Сенсор 300-10000ppm Высокая чувствительность долгий срок службы сжиженный нефтяной газ, CH4 газа Сенсор | AliExpress Полупроводниковый датчик MQ-3B для спиртового газа — Датчик газа Winsen Датчик CO2 Датчик качества воздуха Датчик пыли Датчик CO-Winsen Electronics MQ131 Ozone Gas Sensor (Low Concentration)

Что касается полупроводниковых газовых датчиков серии MQ, то при определенных условиях (температуре) измеряемый газ достигает поверхности полупроводника и вступает в химическую реакцию с кислородом, адсорбированным на поверхности полупроводника. В процессе происходит перенос заряда, что в дальнейшем приводит к изменению сопротивления полупроводника. Определение концентрации газа достигается путем измерения изменения в полупроводнике сопротивления. Полупроводниковые газовые датчики серии MQ обладают большими вариациями выходной мощности, высокой чувствительностью, длительным сроком службы, долговременной стабильностью и высокой устойчивостью к токсичным газам и агрессивным средам с низкой концентрацией газов. Продукция серии MQ, MQ300, MQ200 и т.д. представляет собой непрямой термический полупроводниковый газовый датчик с хорошей устойчивостью к температуре, влажности и хорошим вибрационным характеристикам. Серия MQ300 - это газовые датчики прямого нагрева с небольшими размерами и низким энергопотреблением. Полупроводниковые газовые датчики серии MQ подходят для промышленного, городского, коммерческого и других областей обнаружения горючих и токсичных газов.


MR-серия

MR513 Winsen сенсор газа Этанола C2H5(OH) - Газсенсор

Датчик газа типа MR обнаруживает концентрацию газа посредством изменения сопротивления платиновой петли, которая основана на принципе поглощения газа на поверхности металлооксидного полупроводника, что приводит к изменению теплообмена и обмена электричества. Он состоит из детектирующего элемента и компенсирующего элемента, которые представляют собой две ветви электрического моста. При воздействии горючего газа сопротивление детекторного элемента уменьшается, а изменение напряжения на выходе моста увеличивается прямо пропорционально концентрации газа. Компенсирующий элемент выполняет функции задания и температурной компенсации.


MG-Серия

MG812 Winsen сенсор Углекислого газа CO2

Серия датчиков газа MG предназначена для обнаружения утечек газа для домов/мастерских/коммерческих зданий, для систем обнаружения пожара/безопасности, сигнализации утечки газа, мониторинга газа, контроля качества воздуха помещения, контроля процесса ферментации; также обнаружение низкой концентрации в теплицах. Полупроводниковые сенсоры серии MG отличаются высокой чувствительностью, стабильной производительностью, низким потреблением и хорошей селективностью.


WSP-серия



Газовые датчики серии WSP используют технологию многослойной толстой пленки. Нагреватель и металлооксидный полупроводниковый материал на керамической подложке из сверхминиатюрного Al2O3 выводятся электродом вниз, заключенным в металлическое гнездо и колпачок. На проводимость датчика влияет концентрация целевого газа. Чем выше концентрация, тем выше проводимость датчика. Пользователи могут использовать простую схему для преобразования изменения электропроводности в выходной сигнал, соответствующий концентрации газа.

GM-серия

GM-602B MEMS H2S Gas Sensor

GM-серия Газовый датчик MEMS состоит из микропластинки на основе кремния, основанной на технологии MEMS, и газочувствительного материала из оксида металла-полупроводника, обладающего низкой проводимостью в чистом воздухе. При обнаружении газа в окружающем воздухе электропроводность датчика изменяется. Чем выше концентрация газа, тем выше проводимость датчика. Изменение электропроводности может быть преобразовано в выходной сигнал, соответствующий концентрации газа, с помощью простой схемы.

Winsen также выпускает:

Электрохимические сенсоры серий ME, ZE, 4S,

Фотоионизационные сенсоры,

а так же термокаталитические сенсоры MC, MD

cookie
Мы сохраняем файлы cookies, чтобы сделать взаимодействие с сайтом удобнее. Кликнув на «Принять и закрыть», вы соглашаетесь на использование cookies-файлов.