Поиск
Газоанализатор ГАНК П4 на стандартные газы 44 000 с НДС, в наличии, с первичной поверкой

EKP-1/W/2 Sensor Gaz Сенсор Горючих газов (Углеводороды) CH

EKP-1/W/2 Sensor Gaz Сенсор Горючих газов (Углеводороды) CH


Термокаталитический газовый сенсор EKP-1/W/2 Sensor Gaz  предназначен для высокоточного измерения Горючих газов (Углеводороды) CH в диапазоне 0 - 100 % V/V CH4 в воздухе рабочей зоны. Надежный датчик EKP-1/W/2 Sensor Gaz  имеет быстрое время отклика, широкий температурный диапазон, обеспечивает долговременную стабильность измерений, компактен и прост в использовании.



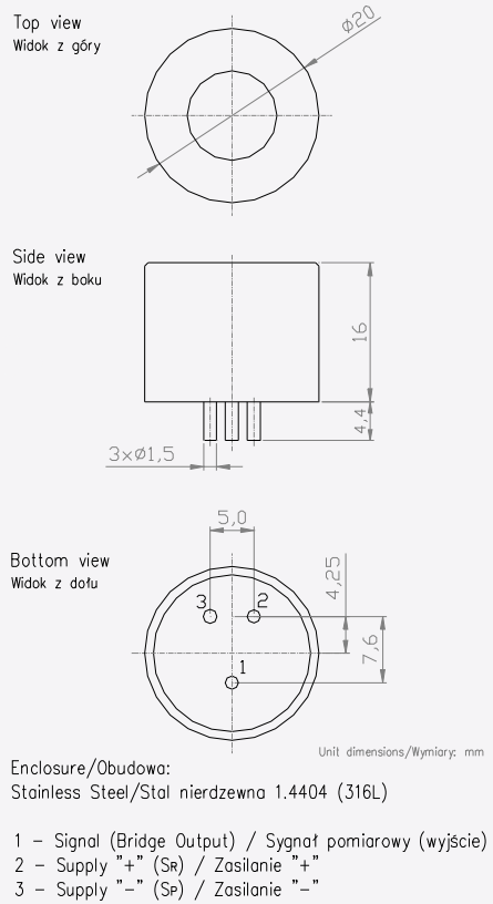
Габаритные размеры сенсора EKP-1/W/2 Sensor Gaz :

153.png

Технические характеристики

Название:
EKP-1/W/2
Производитель:
Sensor Gaz
Основной газ:
Углеводороды (горючие газы) CH
Тип измерения:
Термокаталитический
Диаметр, мм (типоразмер):
20 mm
Диапазон:
0 - 100 % V/V CH4
Чувствительность / выходной сигнал:
2 mV/%CH4
Время отклика t90:
8 s
Энергопотребление:
192- mW
Температурный диапазон:
-20C°..+40C°
Дополнительный газ:
Метан CH4

Другие товары в разделе Сенсоры фирмы Sensor Gaz

SG-4/NW 0 - 5% V/V CH4 Sensor Gaz Сенсор Горючих газов (Углеводороды) CH

SG-4/NW 0 - 5% V/V CH4 Sensor Gaz Сенсор для измерения Горючих газов (Углеводороды) CH в воздухе

SG-4/NW 0 - 100% V/V CH4 Sensor Gaz Сенсор Горючих газов (Углеводороды) CH

SG-4/NW 0 - 100% V/V CH4 Sensor Gaz Сенсор для измерения Горючих газов (Углеводороды) CH в воздухе

SG-1/NW 0 - 100 % V/V CH4 Sensor Gaz Сенсор Горючих газов (Углеводороды) CH

SG-1/NW 0 - 100 % V/V CH4 Sensor Gaz Сенсор для измерения Горючих газов (Углеводороды) CH в воздухе

SG-1/NW 0 -100% V/V CH4 Sensor Gaz Сенсор Горючих газов (Углеводороды) CH

SG-1/NW 0 -100% V/V CH4 Sensor Gaz Сенсор для измерения Горючих газов (Углеводороды) CH в воздухе

PELLISTOR PC-41 Sensor Gaz Сенсор Горючих газов (Углеводороды) CH

PELLISTOR PC-41 Sensor Gaz Сенсор для измерения Горючих газов (Углеводороды) CH в воздухе

PELLISTOR PC-42 Sensor Gaz Сенсор Горючих газов (Углеводороды) CH

PELLISTOR PC-42 Sensor Gaz Сенсор для измерения Горючих газов (Углеводороды) CH в воздухе

PELLISTOR PC-22 Sensor Gaz Сенсор Горючих газов (Углеводороды) CH

PELLISTOR PC-22 Sensor Gaz Сенсор для измерения Горючих газов (Углеводороды) CH в воздухе

PELLISTOR PC-2 Sensor Gaz Сенсор Горючих газов (Углеводороды) CH

PELLISTOR PC-2 Sensor Gaz Сенсор для измерения Горючих газов (Углеводороды) CH в воздухе

SENSOR GAZ



Научно-производственное предприятие Z.B.P. SENSOR GAZ основано 01.10.2004 года. Несмотря на короткое время работы, благодаря найму опытных сотрудников в разработке и производстве пеллисторов и детекторов газа, особенно в метанометрии, компания поддерживает высокий уровень техники в этой области. Предприятие SENSOR GAZ является единственным в Польше, которое производит пеллисторы, характеризующиеся электрическими и метрологическими параметрами, на мировом уровне, в соответствии с требованиями соответствующих стандартов безопасности и метрологических норм. Серия PCxx пеллисторного типа уже 40 лет успешно используется в метанометрах, в системах защиты от взрыва метана в газовых шахтах в Польше и по всему миру.

Основные задачи Z.B.P. SENSOR GAZ это:

  • производство приборов и измерительных приборов, контрольно-измерительных приборов;
  • услуги по установке, ремонту и обслуживанию приборов, контрольно-измерительных приборов;
  • научно-исследовательские работы в области научных технологий.

В компании внедрена Система менеджмента качества, соответствующая требованиям PN-EN ISO 9001:2015. Компания также имеет Уведомление об обеспечении качества № GIG 20 ATEXQ 036, выданное Центральным горным институтом. Вся продукция, предназначенная для подземных шахт, имеет сертификаты проверки типа ЕС (ATEX).

Пеллисторный тип ПК предназначен для использования в приборах, измеряющих концентрацию газов и горючих паров, в эксплозиметрах, системах контроля взрывоопасности и т.п. Приборы с ПК-детекторами могут найти применение во многих отраслях промышленности, где необходим контроль концентрации взрывоопасных газов, например в горнодобывающей промышленности, химическая промышленность, нефтехимия, коммунальное хозяйство и т.д.

Работа пеллистора SENSOR GAZ основана на каталитическом сжигании (диапазон измерения до 100 % НПВ) или на разнице теплопроводности измеряемого и эталонного газов (диапазон измерения до 100 % об./об.). Условия эксплуатации правильного детектора требуют защиты его от прямого воздействия отравляющих соединений и ингибиторов (например, силиконов, хлоридов, свинца, кадмия).

Пеллисторы работают в мосту Уитстона, питаемом постоянным напряжением.

Каталитический детектор  состоит из активного элемента (SA ) и компенсационного элемента ( SK ). Компенсационный элемент (СК ) с компенсационным резистором (РК ) минимизируют влияние внешних факторов (мешающих газов, температуры, влаги и т.п.) на работу извещателя. Разница между температурой активного элемента, на котором сгорает метан, и температурой компенсационного элемента генерирует несбалансированный мостовой сигнал, связанный с концентрацией газа.

Термокаталитические сенсоры SENSOR GAZ выпускаются в следующих линейках:


  • SG-X/YZ


SG-1/NW 0 -100% V/V CH4 Sensor Gaz Сенсор Горючих газов (Углеводороды) CH


  • PC- серия


PELLISTOR PC-1 Sensor Gaz Сенсор Горючих газов (Углеводороды) CH



  • EKP-1


EKP-1/NW/H2 0-4% V/V Sensor Gaz Сенсор Водорода H2




Sensor Gaz также производит полупроводниковые сенсоры 

cookie
Мы сохраняем файлы cookies, чтобы сделать взаимодействие с сайтом удобнее. Кликнув на «Принять и закрыть», вы соглашаетесь на использование cookies-файлов.