Поиск
Газоанализатор ГАНК П4 на стандартные газы 44 000 с НДС, в наличии, с первичной поверкой

KGS 218 KNC сенсор Метана CH4

KGS 218 KNC сенсор для измерения Метана CH4 в воздухе


Применение Бытовой и промышленный, Слабый ток
Метод обнаружения Каталитический
Обнаружены газы Наиболее горючие газы
Диапазон 0 ~ 100% НПВ
Номинальное напряжение 2,5 В постоянного тока
Потребление тока 180±20mA
Напряжение смещения нуля -55 ~ 40 мВ (23±2℃, относительная влажность 60%)
Выходная чувствительность 27±5мВ/%метана
Линейно 3%метана
Время отклика Т 90 В течение 10 секунд (метан)
Долгосрочный дрейф чувствительности <3% сигнала/месяц
Долгосрочный нулевой дрейф <1% НПВ (метан)/месяц
* Скорость потока 300 мл/мин. Условия: 23±2℃, относительная влажность 60% и давление 1 атм, если не указано иное.


Газ Относительная чувствительность
Метод обнаружения Каталитический
Метан 100
Пропан 70
изобутан 65
Пентан 60
* Результаты предназначены только для ознакомления при той же концентрации %НПВ.



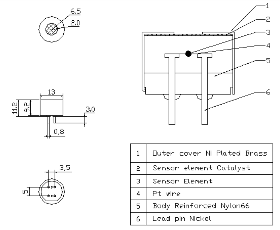
Габаритные размеры сенсора KGS 218 KNC

84.png

Технические характеристики

Название:
KGS 218
Производитель:
KNC
Основной газ:
Метан CH4
Тип измерения:
Термокаталитический
Диаметр, мм (типоразмер):
13
Диапазон:
0 - 100 % LEL
Чувствительность / выходной сигнал:
25 ±5mV/%methane
Время отклика t90:
10 sec.
Энергопотребление:
400-500 mW
Температурный диапазон:
-20C°..+55C°

Другие товары в разделе Сенсоры фирмы KNC

KGS 702 KNC сенсор Метана CH4

KGS 702 KNC сенсор для измерения Метана CH4 в воздухе

KGS 701 KNC сенсор Метана CH4

KGS 701 KNC сенсор для измерения Метана CH4 в воздухе

KGS 602 KNC сенсор Метана CH4

KGS 602 KNC сенсор для измерения Метана CH4 в воздухе

KGS 601 KNC сенсор Метана CH4

KGS 601 KNC сенсор для измерения Метана CH4 в воздухе

Korea New Ceramics Co., Ltd. разрабатывает и производит высококачественные датчики для обнаружения газа, специализируясь на датчиках газа термокаталитического типа и полупроводниковых датчиках.

Благодаря технологии обнаружения газа, накопленной за 20 лет, KNC разработали каталитические датчики газа, которые могут обнаруживать как сжиженный нефтяной газ, так и сжиженный природный газ при одном и том же рабочем напряжении без ухудшения чувствительности к сжиженному природному газу. Доказано, что каталитические газовые датчики KNC удовлетворяют самых требовательных клиентов по производительности, цене и обслуживанию. Полупроводниковые газовые датчики KNC отличаются высокой чувствительностью, превосходной устойчивостью к потоку воздуха и превосходной долговечностью.

KNC поставляет 400 000 газовых датчиков ежегодно клиентам по всему миру. Техническая команда KNC полностью контролирует весь производственный процесс, начиная с подготовки необходимого сырья (сверхтонкого порошка, катализатора и т. д.) и заканчивая окончательной проверкой, при этом все процессы выполняются собственными силами. KNC также проектирует и производит необходимое производственное оборудование и инструменты, такие как намоточные и контрольные машины с ЧПУ. Выдающиеся технологии и уникальные возможности обработки позволяют создавать экономичные датчики высочайшего качества.

Помимо предоставления клиентам существующих продуктов для датчиков газа, KNC также разрабатывают и производят новые датчики, адаптированные к требованиям клиентов. KNC всегда готовы обслуживать своих клиентов, используя передовые технологии и конкурентоспособные условия бизнеса, постоянно совершенствуя свою продукцию и ее адаптируемость, чтобы соответствовать самым высоким ожиданиям клиентов.

Учитывая глобальный рост потребления газа как источника энергии, KNC всегда окружены высокой потенциальной опасностью, связанной с газом. Korea New Ceramics Co., Ltd. гордится своим вкладом в безопасность и счастье человечества, предоставляя лучшие продукты и услуги по наиболее разумной цене.

cookie
Мы сохраняем файлы cookies, чтобы сделать взаимодействие с сайтом удобнее. Кликнув на «Принять и закрыть», вы соглашаетесь на использование cookies-файлов.